Сделаю тележну, поставлю его "на ноги" и обязательно вскрою...но мне всё же интересно как радиолюбителю, собрать и опробовать эти регуляторв...наверняка людям пригодятся. А как я уже говорил, материал будет подан так, что собрать схему сможет любой.В моторе скорее всего, если и стоит, то только выпрямитель, который если и будет выдавать постоянкуЮ то при увеличении оборотов напряжение на выходе будет возрастать...это чтевато для подключённых приборов. Нужен стабилизатр, примерно как на авто, чтоб напруга выше определённого значения не поднималась.Valera-59 писал(а):Я не удержался...достал мотор...
Valera-59 писал(а):Я на форум заходил, пока тишина..
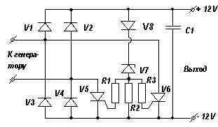
Valera-59 писал(а):Помнится в застойные времена пытались скопировать схему залитую э.с. но оч.востребованную среди народа.Борманиной пришлось потрудиться от души, но когда схема оказалась перед глазами, мы были приятно удивлены тем, что нового ничего нет, все довно проверенное старое...Я больше чем уверен, чо и Ивановский регулятор прост как три копейки.Скорее всего это известная тиристорная схема залитая э.с. и делающая эту конструкцию загадочно-секретной для тех кому она нужна.Выложена не сайте в одной статье с известным Ивановским регулятором специально, но Ивановский остаётся секретным...и народ берёт его, думая, что он совершеннее. Грамотно и расчётливо продуманная тактика , так называемый "ход конём"...

Бонч писал(а):хотя бы эхолот

Valera-59 писал(а):Лена, тиристор от симистора отличается только тем
Вернуться в Общие вопросы по маломерным судам
Сейчас этот форум просматривают: нет зарегистрированных пользователей и гости: 1